Проблема: неисправный CD-ROM
Павел ХЛЫЗОВ
инженер-исследователель фирмы «ЕПОС»
В жизни каждого пользователя персонального
компьютера, служебного или домашнего, неизбежно
возникает достаточно неприятный момент, когда в
ответ на требование запустить определенную
программу или вызвать на экран важный документ
прямо с диска CD-ROM обычно послушная машина вдруг
выдает на экран тревожные надписи – «отсутствует
CD-диск» или «нет связи с CD-ROM». При этом добиться
от компьютера более определенной информации
невозможно. Автор статьи сталкивался с подобной
ситуацией на своем личном ПК не менее трех раз.
Встревоженный владелец начинает судорожно
искать гарантийные документы и обнаруживает
очередную неприятность: оказывается,
гарантийный срок на компьютер истек месяц-два
назад или же отдельная гарантия собственно на
CD-ROM (не слишком длительная у любой фирмы-производителя)
вот уже год-полтора как закончилась. Возникает
дилемма: либо приобретать новое, достаточно
дорогое устройство (в зависимости от фирмы-производителя,
его стоимость составляет более $35), либо
попытаться сдать его в ремонт, – или знакомому
радиоумельцу, или в фирму, которая соглашается
осуществить такой ремонт, как правило, за
достаточно высокую цену. При этом владельцу
сообщается, что необходима либо замена платы
электроники, либо замена лазерной считывающей
головки. Собственно, ремонт при этом окажется
лишь ненамного дешевле покупки нового
устройства.
Наиболее смелые и подкованные начинают искать
подходящую литературу с намерением произвести
ремонт собственными силами. Однако на этом пути
их подстерегают немалые трудности. Оказывается,
оберегая свое ноу-хау, фирмы-производители вовсе
не стремятся обнародовать принципиальные схемы
производимых устройств. И в доступном сегодня
море компьютерной литературы, где имеется
миллион ответов на вопрос «как», фактически нет
ответов на вопрос «почему».
Специалисты фирмы «ЕПОС», для решения
описанных проблем, используют системный подход.
Последовательность работы при этом такова:
- определяется обобщенная структура устройства;
- определяются основные взаимосвязи элементов;
- выясняется характер влияния отсутствия
необходимых связей (либо появления
несанкционированных связей) на общее поведение
устройства в целом;
- локализуется место неисправности в пределах
отдельного чипа, ответственного за данную
взаимосвязь;
- проверяются сигналы на выводах чипа на
соответствие спецификации производителя;
- заменяется неисправный элемент.
- Кроме того, в фирме «ЕПОС» ведется учет выхода
из строя конкретных элементов и составляется
карта поиска неисправностей.
В результате ремонт уже не сводится к
общепринятым формулам «замена электроники», «замена
оптики» и не становится опустошительным для
кармана клиента.
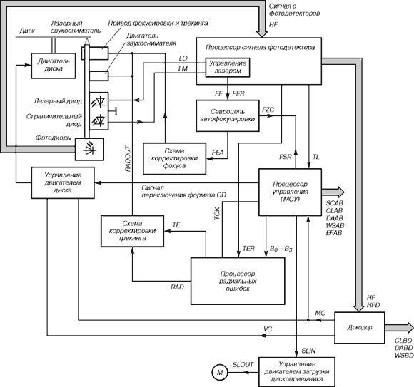
Чтобы рассмотреть наиболее характерные
неисправности CD-ROM, обратимся к структуре этого
достаточно сложного устройства, представленной
на рис. 1.

Рис. 1. Структурная схема CD-ROM
(рис. 1, 3, 5, 7 в
формате PDF, 41 кб)
В соответствии с этой структурой можно
выделить три основные группы его «болезней»:
- механические неисправности;
- неисправности оптической системы;
- неисправности электронных компонентов.
Первая группа неисправностей является
превалирующей.
Механические неисправности составляют 80...85%
общего числа неисправностей. Их также можно
разделить на несколько основных групп:
- отсутствие смазки трущихся частей;
- скопление пыли и грязи на подвижных частях
механизма транспортировки диска;
- засаливание фрикционных поверхностей;
- нарушения регулировок;
- механические поломки деталей транспортного
механизма.
Отсутствие смазки приводит к тому, что CD-ROM с
трудом выталкивает каретку с диском. В простых
механизмах, где каждый элемент выполняет
несколько функций, отсутствие смазки приводит,
например, к заклиниванию замка каретки и
исключает возможность использования CD-ROM.
Скопление пыли и грязи на подвижных частях,
особенно на краях подвижных салазок каретки,
делает практически невозможным запирание
механизма, и в результате CD-ROM постоянно
выбрасывает диск.

Рис. 2. Характерные места скопления
грязи и пыли на каретке оптического диска
Засаливание фрикционных поверхностей приводит
либо к остановке механизма каретки в
промежуточных положениях, либо к
проскальзыванию диска во время вращения. И то и
другое делает использование CD-ROM невозможным. К
подобному результату приводит и нарушение
регулировок транспортного механизма.
Перечисленные выше механические неисправности
касаются в основном простых механизмов
относительно дешевых CD-ROM. Дорогие модели, как
правило, имеют сложные механизмы, и для них
основным видом механических неисправностей
является поломка деталей механизма. Чаще всего
это происходит из-за того, что пользователь,
вместо того, чтобы пользоваться кнопками
управления, рукой заталкивает каретку с диском
внутрь дисковода. Последствия таких действий
могут оказаться самыми неприятными. Если
загрязненный и неухоженный механизм достаточно
прочистить, протереть, смазать – и он вновь
исправно выполняет свои функции, то торопливость
и чрезмерные усилия приводят к достаточно
дорогому и длительному ремонту дисковода.
Ко второму виду распространенных
неисправностей относятся неисправности оптико-электронной
системы считывания информации. Несмотря на
небольшие размеры, система эта - очень сложное и
точное оптическое устройство. Достаточно
взглянуть на структурную схему (рис. 3), чтобы
согласиться с этим. По частоте появления в
течение первых полутора-двух лет эксплуатации
отказы оптической системы составляют 10...15% от
общего числа неисправностей. Чтобы выделить
основные «болезни» оптики и их характерные
проявления, рассмотрим ее состав:
- сервосистема управления вращением диска;
- сервосистема позиционирования лазерного
считывающего устройства;
- сервосистема автофокусировки;
- сервосистема радиального слежения;
- система считывания;
- схема управления лазерным диодом.
Сервосистема управления вращением диска
обеспечивает постоянство линейной скорости
движения дорожки считывания на диске
относительно лазерного пятна. При этом угловая
скорость вращения диска зависит как от
расстояния головки считывания до центра диска,
так и от условий считывания информации.
Характерными признаками неисправности являются
либо отсутствие вращения диска, либо, наоборот,
разгон до максимальной скорости вращения. При
попытке изъять диск с помощью органов управления
каретка открывается с вращающимся на ней диском.
Характерными признаками исправной работы
являются четко прослеживающиеся фазы:
- старт и разгон вращения диска;
- установившийся режим вращения;
- интервал торможения до полной остановки;
- съем диска лотком каретки и вынос его наружу из
дисковода.

Рис. 3. Структура связей оптико-электронной
системы считывания информации
(рис. 1, 3, 5, 7 в
формате PDF, 41 кб)
Сервосистема позиционирования головки
считывания информации обеспечивает плавное
подведение головки к заданной дорожке записи с
ошибкой, не превышающей половины ширины дорожки
в режимах поиска требуемого фрагмента
информации и нормального воспроизведения.
Перемещение головки считывания, а вместе с ней и
лазерного луча, по полю диска осуществляется
двигателем головки. Работа двигателя
контролируется сигналами прямого и обратного
перемещения, поступающими с процессора
управления, а также сигналами, вырабатываемыми
процессором радиальных ошибок. Характерными
признаками неисправности являются как
беспорядочное движение головки по направляющим,
так и ее неподвижность.
Сервосистема радиального слежения
обеспечивает удержание луча лазера на дорожке и
оптимальные условия считывания информации.
Работа системы основана на методе трех световых
пятен. Суть метода заключается в разделении
основного луча лазера с помощью дифракционной
решетки на три отдельных луча, имеющих
незначительное расхождение. Центральное
световое пятно используется для считывания
информации и для работы системы автофокусировки.
Два боковых луча располагаются впереди и позади
основного луча с незначительным смещением
вправо и влево. Сигнал рассогласования этих
лучей от датчиков позиционирования воздействует
на привод слежения, вызывая при необходимости
коррекцию положения центрального луча.
Работоспособность системы радиального
слежения можно проконтролировать по изменению
сигнала рассогласования, поступающего на привод
слежения.
Контроль и управление вертикальным
перемещением фокусирующей линзы осуществляется
под воздействием сервофокуса. Эта система
обеспечивает точную фокусировку лазерного луча
в процессе работы на рабочей поверхности диска.
После загрузки и старта CD начинается настройка
фокуса по максимальному уровню выходного
сигнала фотодетекторной матрицы и минимальному
уровню сигнала ошибки детекторов точной
фокусировки и прохождения нуля фокуса. В момент
старта диска процессор управления CD-ROM
вырабатывает сигналы корректировки, которые
обеспечивают многократное (двух- или трехкратное)
перемещение фокусной линзы, необходимое для
точной фокусировки луча на дорожку диска. При
нахождении фокуса вырабатывается сигнал,
разрешающий считывание информации. Если после
двух-трех попыток этот сигнал не появляется,
процессор управления выключает все системы и
диск останавливается. Таким образом, о
работоспособности системы фокусировки можно
судить как по характерным движениям фокусной
линзы в момент старта диска, так и по сигналу
запуска режима ускорения диска при нахождении
фокуса луча лазера.
Система считывания информации содержит
фотодетекторную матрицу и дифференциальные
усилители сигналов. О нормальной работе этой
системы можно судить по наличию высокочастотных
сигналов на ее выходе при вращении диска.
Система управления лазерным диодом
обеспечивает номинальный ток возбуждения диода
в режимах пуска диска и считывания информации.
Признаком нормальной работы системы является
наличие ВЧ-сигнала амплитудой около 1 В на
выходе системы считывания.
Помимо функциональных неисправностей
оптической системы, очень часто она отказывает
из-за пыли, скопившейся на фокусной линзе (рис. 4).
При этом для того, чтобы привести CD-ROM в рабочее
состояние, достаточно протереть линзу мягкой
фланелью. Ни в коем случае нельзя использовать
для протирки растворители! Фокусные линзы
большинства CD-ROM выполнены из органической
пластмассы, и растворитель необратимо повредит
их поверхность.

Рис. 4. Оптика CD-ROM: а) запыленная линза,
б) чистая линза
К третьей группе неисправностей принадлежат
все повреждения электронной начинки CD-ROM.
Несмотря на достаточно небольшой (относительно
общего числа дефектов CD-ROM) процент случаев
выхода из строя электроники – 5...10%, поиск
неисправностей электронных схем является самой
трудоемкой частью ремонта.
Поскольку по основной структуре, особенностям
построения и типичным неисправностям устройства
CD-ROM имеют много общего с устройствами-предшественниками,
для понимания происходящих в них процессов
полезно совершить небольшой экскурс в историю.
Непосредственным предшественником CD является
грампластинка. Стремление повысить
информационную емкость пластинок и обеспечить
возможность записи и чтения с диска
видеоинформации привело к тому, что в 1972 году
фирма Philips впервые представила устройство, в
котором такая информация считывалась с
прозрачного пластмассового диска оптическим
способом. Новый носитель позволял записать 5...7-минутный
видеоклип либо высококачественную
стереофоническую звукозапись длительностью 70
минут. Запись и считывание осуществлялись в
аналоговом виде. Огромная по тем временам
емкость и высокая помехозащищенность систем
оптической записи побудили продолжить
исследования, что привело к созданию в 1978 году
фирмой Philips системы цифровой оптической
звукозаписи с хорошо известным нам компакт-диском
в роли носителя. В 1981 году Philips совместно с фирмой
Sony представила доработанную систему цифровой
оптической звукозаписи, параметры которой стали
мировым стандартом де-факто и в 1982 году были
утверждены Международной электротехнической
комиссией (МЭК). Эти стандартные параметры таковы:
- диаметр диска 120 мм;
- запись в виде непрерывной спиральной дорожки с
началом у центра диска;
- ширина дорожки 1 мкм;
- шаг спирали 1,6 мкм;
- запись с постоянной линейной скоростью 1,2...1,4 м/с;
- поверхностная плотность записи 106 Мбит/см2;
- скорость считывания информации 2 Мбит/с;
- модуляция EFM;
- коррекция ошибок двойным кодом Рида–Соломона с
перемежением.
Для фиксации информации используется
покадровая система записи.
Компакт-диск получился настолько удачным и
емким, что на него практически сразу же обратили
внимание создатели персональных компьютеров. В
конце 80-х годов первые CD-ROM начали встраиваться в
ПК, а с середины 90-х наличие CD-ROM стало стандартом
для ПК. От CD-плейеров CD-ROM отличает интерфейс
связи с ПК (как правило, IDE или SCSI) и большая
скорость считывания информации, достигающая у
отдельных образцов рекордных величин 10...15 Мбит/c.
Дальнейшее развитие систем оптической записи и
воспроизведения информации привело к появлению
систем DVD-ROM с многослойной структурой записи
информации на диск и емкостью носителя 7...10 Гбит.
Однако их рассмотрение выходит за пределы нашей
статьи.
Системы записи, считывания и последующей
обработки информации определяют общую
функциональную схему CD-ROM, представленную на рис. 5.
Помимо рассмотренных выше систем, она включает
синхрогенератор, обеспечивающий
синхросигналами все узлы CD-ROM, и EFM-демодулятор,
преобразующий 14-разрядные кодовые посылки с
диска в 8-разрядный последовательный код. Далее
информация попадает в процессор цифровых данных,
который совместно с процессором системного
управления является сердцем всего устройства.
Здесь происходит обратное перемежение данных и
коррекция ошибок. Задачей перемежения данных при
записи информации является «растяжка» каждого
байта информации на несколько кадров записи. При
этом, если и случается потеря даже нескольких
кадров информации в результате механического
повреждения поверхности диска, результатом
обратного перемежения данных будет наличие
мелких ошибок в отдельных байтах. Такие ошибки
исправляет схема коррекции ошибок.

Рис. 5. Функциональная схема CD-ROM
(рис. 1, 3, 5, 7 в
формате PDF, 41 кб)
В зависимости от выбранной для конкретной
модели CD-ROM стратегии коррекции ошибок и,
соответственно, сложности процессора и
устройства в целом, на практике тот или иной CD-ROM
может либо исправлять одну-две мелкие ошибки в
кадре информации (что соответствует дешевым
моделям), либо в несколько этапов
восстанавливать, с вероятностью 99,99%, серьезные и
длинные разрушения информации. Как правило,
такими корректорами ошибок оснащены
дорогостоящие модели CD-ROM. Это и есть ответ на
часто задаваемый вопрос: «Почему вот этот диск
читается на машине товарища, а мой ПК его даже не
видит?»
С выхода процессора цифровых данных
откорректированная цифровая информация через
интерфейс связи поступает на вход ПК, где
подвергается дальнейшей обработке. Если чтение
производится с аудиодиска, информация поступает
на цифровой фильтр, с него на цифроаналоговый
преобразователь и далее, через цепи аналоговой
коррекции и усиления, – на аудиовыходы.
Таким образом, даже после поверхностного
рассмотрения функциональной схемы устройства
CD-ROM можно сделать вывод, что данное устройство
является весьма сложной электронной системой, а
значит, без правильно выбранной стратегии поиска
неисправностей найти конкретного «виновника»
чрезвычайно трудно.
Несложно найти неисправность, когда она сама о
себе заявляет (как, например, на рис. 6). Но к
сожалению, в подавляющем большинстве случаев
неисправная микросхема по внешнему виду не
отличается от исправной.

Рис. 6. Неисправная микросхема на
плате CD-ROM
На рис. 7 приведен алгоритм поиска и
обнаружения неисправностей, который
используется специалистами фирмы «ЕПОС» для
поиска неисправностей устройств CD-ROM практически
любого типа. На практике этот алгоритм неизменно
дает положительный результат.

Рис. 7. Алгоритм поиска
неисправностей CD-ROM
(рис. 1, 3, 5, 7 в
формате PDF, 41 кб)
К сожалению, авторы не могут привести
конкретные данные по проверке работоспособности
микросхем различных CD-ROM. Дело в том, что каждый
изготовитель данных устройств либо использует
свой собственный набор чипов, либо комплектует
его от разных изготовителей. Это приводит к тому,
что в каждом конкретном устройстве необходимо
искать спецификации практически для каждого
чипа индивидуально. Тем, кто решил
самостоятельно справиться с ремонтом своего CD-ROM,
можно посоветовать составить список
наименований набора его микросхем и поискать на
сайтах производителей их спецификации. По
спецификациям легко определить функциональное
назначение микросхемы и структуру входных и
выходных сигналов.
В заключение хочется дать совет всем
владельцам ПК, столкнувшимся с проблемой
неисправного CD-ROM, – не искушайте судьбу, не
отдавайте свой аппарат в руки доморощеных
умельцев, да и сами не пытайтесь ремонтировать
этот достаточно дорогостоящий элемент своего ПК.
Специалисты сервисных центров лучше, чем кто-либо
другой, смогут восстановить работоспособность
вашего устройства. В таких случаях пословица «скупой
платит дважды» подтверждается безусловно.
Дата публикации:
11 мая 2000 года |