Многие материнские платы поставляются сейчас
одновременно с двумя разъемами питания AT и ATX. Естественно
работать они могут и с тем и с другим блоком
питания. Но стоимость ATX блока питания
значительно выше, чем AT, из-за особенности
конструктивого исполнения.
Конечно возникает вопрос, можно ли переделать AT
блок питания в ATX? Конечно можно. Это не так
сложно. Точнее не полностью переделать, а научить
AT блок питания включатся и выключатся как ATX.
Чем же они отличаются друг от друга:
Главное отличие состоит в том, что в ATX блоке
питания предусмотрено программное отключение
компьютера. Технически, оно заключается в том,
что на определенном выводе ATX разъема исчезает
контрольное напряжение, и из-за этого
выключается блок питания. Так же, в спящем режиме,
материнская плата использует небольшой ток,
которые вырабатывает ATX блок питания, и который
нужен ей для пробуждения. Так же ATX блок питания
подает на материнскую плату дополнительные
стабилизированные 3.3 В

Разводка на ATX разъема (подробности в разделе информация):

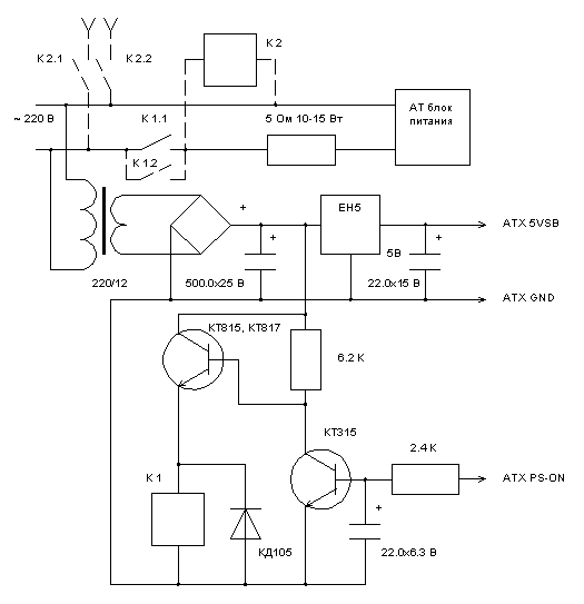
Принцип работы приведенной схемы состоит в
следующем:
Трансформатор питает реле и дает напряжение в
спящем режиме. Транзисторы служат для открытия
реле. Конденсатор, включенный перед 315-тым
транзистором создает задержку при переключении
блока питания. Стабилизатор дает 5 вольт для
спящего режима.
Когда включается PC, на гнезде ATX разьема
материнской платы появляется напряжение,
которое открывает 315 транзистор, он в свою
очередь откроет 815 и ток потечет по катушке реле
K1, реле включит PC.
При выключении, управляющее напряжение исчезает,
транзисторы и реле выключаются. Остается только 5
вольт от стабилизатора, которые и позволят в
дальнейшем компьютеру включиться.
Подборка элементов:
В качестве реле K1 можно взять ТДЕ53, РЕН35, или
любое аналогичное с током потребления не
превышающим ток, отдаваемый трансформатором, и
на напряжение 12В, главное требование к реле – как
можно больший коммутируемый ток контактов (не
путать с током пропускания контактов!). Дело в
том, что при включении AT блока питания происходит
очень мощный бросок тока, естественно, вся
нагрузка при этом ложится на контакты реле
(особенно если через блок питания подключен
монитор). После включения блока питания ток
потребления довольно не высок. Сопротивление,
стоящее рядом с контактами, как раз и
предназначено для уменьшения пускового тока.
Мощность его должна быть такой, чтобы оно не
сильно нагревалось при работе PC.
Если реле имеет более 1 пары контактов, есть
смысл соединить их так, чтобы они работали
параллельно. Стабилизатор ЕН5 любой из этой серии
на ток стабилизации 10-20 мА и напряжение 5 В, или
аналогичный. Очень хорошо для этого подойдет
стабилизатор от неисправных dandy, hitex и прочих 8
битных игровых приставок (он установлен на
радиаторе в самом компьютере сразу после разъема
питания).
Кстати о включении периферийных устройств.
Монитор и другое оборудование, можно (нужно!)
включить через реле К2 (показано пунктиром).
Подсоединив контакты реле по схеме, и выведя их в
виде розетки или подключив к
удлинителю/тройнику, вы получите очень удобный
разъем, 220 В в котором будут появлятся вместе с
включением ПК (в него можно вклюить принтер и
прочее оборудование) и при этом, если вы включите
туда же и монитор (пусковой ток монитора очень
высокий), то вам можно будет выбрать реле K1 на
меньший ток, а сопротивление на меньшую мощность
(что уменьшит габариты).
Трансформатор питает плату после отключения PC, а
так же, от его тока, срабатывает реле K1 при
включении компьютера. Ток трансформатора должен
быть достаточен для питания реле - по сравнению с
током ожидания материнской платы (10 мА), он много
больше.